Schema Electrica Inchidere Centralizata Logan





Tutorial Montare Inchidere Centralizata Pni 288 Pe Logan Dealecasei

Tutorial Montare Inchidere Centralizata Pni 288 Pe Logan Dealecasei

Tutorial Montare Inchidere Centralizata Pni 288 Pe Logan Dealecasei

Tutorial Montare Inchidere Centralizata Pni 288 Pe Logan Dealecasei

Inchidere Centalizata Logan Car Electronics Elforum Forumul

Inchidere Centalizata Logan Car Electronics Elforum Forumul

Tutorial Montare Inchidere Centralizata Pni 288 Pe Logan Dealecasei

Tutorial Montare Inchidere Centralizata Pni 288 Pe Logan Dealecasei

Modul Inchidere Centralizata Tip Logan Emag Ro

Modul Inchidere Centralizata Tip Logan Emag Ro

Tutorial Montare Inchidere Centralizata Pni 288 Pe Logan Dealecasei

Tutorial Montare Inchidere Centralizata Pni 288 Pe Logan Dealecasei

Tutorial Montare Inchidere Centralizata Pni 288 Pe Logan Dealecasei

Modul Inchidere Centralizata Cu Telecomanda Cu 4 Butoane Mic012

Modul Inchidere Centralizata Cu Telecomanda Cu 4 Butoane Mic012

Tutorial Montare Inchidere Centralizata Pni 288 Pe Logan Dealecasei

Tutorial Montare Inchidere Centralizata Pni 288 Pe Logan Dealecasei

Aventura Inchidere Centralizata

Aventura Inchidere Centralizata

Ajutor Inchidere Centralizata Polo 6n Car Electronics

Ajutor Inchidere Centralizata Polo 6n Car Electronics

Tutorial Montare Inchidere Centralizata Pni 288 Pe Logan Dealecasei

Tutorial Montare Inchidere Centralizata Pni 288 Pe Logan Dealecasei

Configurare Fire Inchidere Centralizata Thunder Ccl02 Youtube

Configurare Fire Inchidere Centralizata Thunder Ccl02 Youtube

Alarme Auto Si Senzori De Parcare Tip Produs Alarme

Alarme Auto Si Senzori De Parcare Tip Produs Alarme

Tutorial Montare Inchidere Centralizata Pni 288 Pe Logan Dealecasei

Tutorial Montare Inchidere Centralizata Pni 288 Pe Logan Dealecasei

Inchidere Centralizata Pilot Yt A400 Car Electronics Elforum

Inchidere Centralizata Pilot Yt A400 Car Electronics Elforum

Montare Inchidere Din Telecomanda Page 5 Golf Iv Bora

Montare Inchidere Din Telecomanda Page 5 Golf Iv Bora

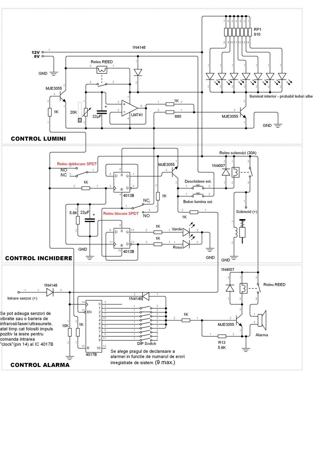
Circuite Si Scheme Electronice Aproximativ Inchidere

Circuite Si Scheme Electronice Aproximativ Inchidere

Magicar Fai 300 Alarma Auto Daciaclub Forum Dacia

Magicar Fai 300 Alarma Auto Daciaclub Forum Dacia

Cum Sa Montam Alarma Pe Vectra B Pagina 2

Cum Sa Montam Alarma Pe Vectra B Pagina 2

Tutoriale Pentru Dacia Logan Aprindere Pozitii La Deschiderea Usilor

Tutoriale Pentru Dacia Logan Aprindere Pozitii La Deschiderea Usilor

Source : pinterest.com